點陣激光美容非球面透鏡
點陣激光非球面透鏡是專為嫩膚點陣激光美容儀設計的高性能光學元件,采用高精度非球面透鏡、窗口片和反射鏡組合,構建高效、穩定的光路系統。通過精準的光學設計,本產品能夠實現點陣激光的均勻分布和高效聚焦,幫助橫掃細紋、淡化痘坑,煥發肌膚年輕光彩。
- 型 號: 定制
- 規 格: 定制
- 材 料: 光學玻璃
點陣激光非球面透鏡是專為嫩膚點陣激光美容儀設計的高性能光學元件,采用高精度非球面透鏡、窗口片和反射鏡組合,構建高效、穩定的光路系統。通過精準的光學設計,本產品能夠實現點陣激光的均勻分布和高效聚焦,幫助橫掃細紋、淡化痘坑,煥發肌膚年輕光彩。
點陣激光非球面透鏡是專為嫩膚點陣激光美容儀設計的高性能光學元件,采用高精度非球面透鏡、窗口片和反射鏡組合,構建高效、穩定的光路系統。通過精準的光學設計,本產品能夠實現點陣激光的均勻分布和高效聚焦,幫助橫掃細紋、淡化痘坑,煥發肌膚年輕光彩。

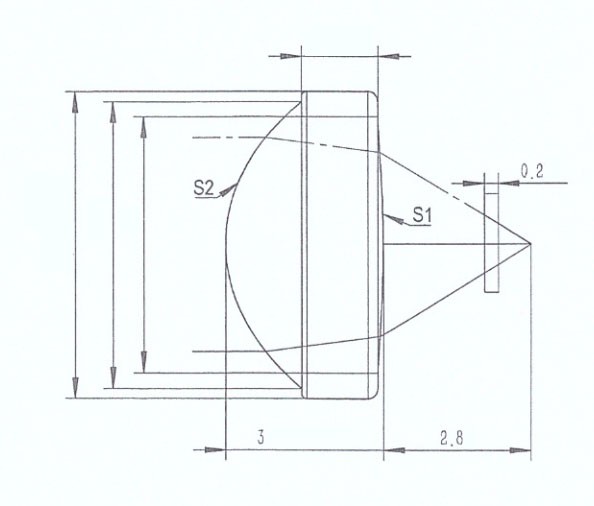
一、光路組成結構
點陣激光美容儀的光路系統光學元件部分介紹:
1. 窗口片:作為激光進出光學系統的保護屏障,確保激光高效傳輸的同時,防止灰塵和污染物進入光路。
2. 反射鏡:用于調整激光的傳播方向,確保激光束準確聚焦到目標區域。
3. 非球面透鏡:作為核心光學元件,用于聚焦和均勻分布激光能量,形成點陣式光斑,精準作用于皮膚表層。
二、光路原理
點陣激光美容儀的工作原理基于選擇性光熱作用。激光光束通過反射鏡調整方向后,經過非球面透鏡聚焦,形成均勻分布的點陣式光斑。這些光斑能夠穿透皮膚表層,在真皮層形成微小的熱損傷區,刺激膠原蛋白再生和皮膚自我修復,從而實現淡化細紋、修復痘坑的效果。

激光發射:激光器發射高能量激光束。
反射鏡調整:反射鏡將激光束引導至非球面透鏡。
非球面透鏡聚焦:非球面透鏡將激光束聚焦并均勻分布,形成點陣光斑。
皮膚作用:點陣光斑精準作用于皮膚,刺激膠原再生,修復肌膚問題。
三、非球面透鏡的核心作用
在點陣激光美容儀的光路系統中,非球面透鏡發揮著不可替代的作用:
1. 高精度聚焦:非球面透鏡能夠有效消除球面像差,確保激光束精準聚焦,提高能量利用率。
2. 均勻能量分布:通過優化光學設計,非球面透鏡能夠將激光能量均勻分布,形成規則的點陣光斑,避免能量不均導致的皮膚損傷。
3. 高效修復:非球面透鏡的高透光率和低散射特性,確保激光能量高效傳遞至皮膚深層,最大化治療效果。
4. 穩定可靠:采用高硬度、高耐熱材料制成,確保透鏡在長時間高能量激光照射下仍保持穩定性能。

四、產品優勢
高精度光學設計:非球面透鏡采用先進加工工藝,確保光路精準穩定。
高效能量利用:均勻分布激光能量,提升治療效果,縮短修復時間。
安全可靠:光學元件經過嚴格測試,確保長時間使用無性能衰減。
廣泛適用:適用于多種點陣激光美容儀,兼容性強。
五、往期分享

六、應用場景
美容醫療機構:用于嫩膚、祛皺、祛痘坑等美容項目。
家用美容設備:集成于便攜式點陣激光美容儀,滿足日常護膚需求。
光學設備廠商:為激光美容儀提供高性能光學元件解決方案。
點陣激光非球面透鏡憑借其高精度光學設計和卓越性能,成為嫩膚點陣激光美容儀的核心組件。通過精準聚焦和均勻能量分布,它能夠有效橫掃細紋、淡化痘坑,幫助用戶煥發肌膚活力。選擇我們的非球面透鏡,為您的激光美容儀賦予更高效、更安全的性能表現!
文章部分圖片源自網絡,侵刪---